In brief:
The electronics consist of two boards, the Arduino Shield and the HallSensor board. For the latter recently a real PCB was made, originally there was a hand-wired PCB. See the TopMount page.
The Arduino Shield carries all other circuits.
On demand I can send you the eagle files and gerbers, but to edit the board one needs an Eagle Licence for at least 10 x 16 cm 2 layers.
I still use Eagle 7.7.0, the latest version before Eagle came in the hands of $Autode$k.

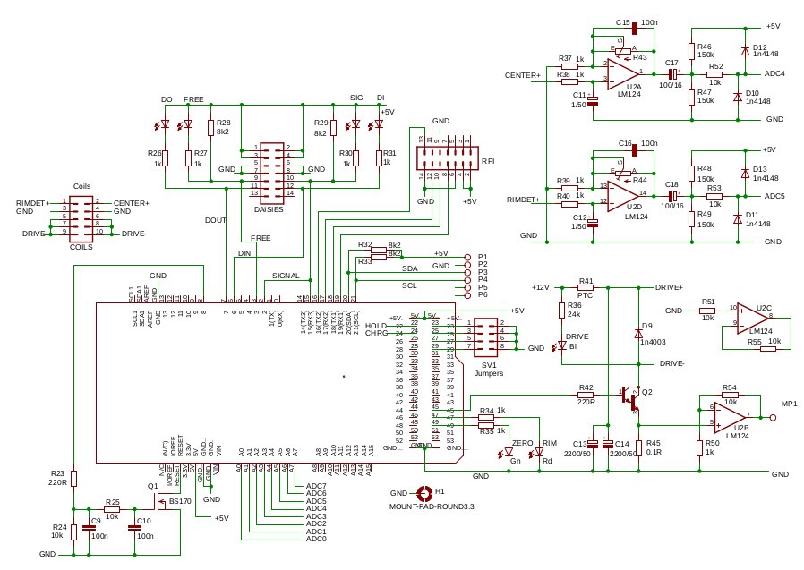
Fig 1 shows the pre-amplifiers for the Hall sensors. All 4 have gain and offset adjustments. Inputs are low-pass filtered with 5 ms time constant giving a -3dB corner frequency of 32 Hz. As the opamps are supplied with +15 and -5 Volt there are series resistors and limiting diodes before the signals go into the analog inputs of the Arduino.

Fig 2 shows the Arduino MEGA and surrounding circuits.
- Upper right: the pre-amplifiers for the Center- and Rim coil signals. These signals are AC coupled to the Arduino, with a DC level of half the +5Volt.
- Lower right: the Drive coil circuit. The current for the drive coil is taken from large capacitors C13 and 14 having enough charge for 1 drive pulse. The capacitors are recharged via R41, a resistor with a strong positive temperature coëfficient. In the unlucky case that transistor Q2 has a short or is driven continuously this resistor will get hot and limit the current through the drive coil to a safe level. (before I had this feature I lost a drive coil due to such a shorted Q2. The coil just did not catch fire)
The actual drive current can be measured on MP1, after 11x amplification by U2B.
- Lower left is a delay circuit with the reset transistor Q1. This gives the possibility to let the Arduino reset itself, including all hardware and peripherals. Without the delay circuit the reset pulse will be to short to reliably reset all peripherals.
- On top are several connection possibilities for future features. Currently these functions are not used.
- In the center we have 4 positions where jumpers can be placed. Not used currently.
- The Mount-Pad H1 is used to adapt a large M3 schrew. This allows easy connection of the ground clips of an oscilloscope during testing.

Fig 3. Power circuits.
The whole circuit runs from an external 24VDC power supply. The module on the left side converts the +24 into +12 Volt. With U5 the +5V for the Arduino is derived. IC1 gives us the -5Volt for the opamps.
The remaining circuits are related to future operation with 12V battery backup and charging management. When used in the future the 24V >> 12V converter acts as a current / voltage limiter for battery charging.

Fig 4. The PCB.
Upper left the Arduino Ethernet Shield. Under the board, hardly visible, sits the Arduino Mega.
The yellow cable is Lan, the gray cable left connects the top unit.
The flatcable goes to the floor unit.
Far right the external power supply 24V 1A.